新能源和电动汽车的发展,都会用到能量密度比较高的锂电池。而锂电池串联使用过程中,为了保证电池电压的一致性,必然会用到电压均衡电路。今天跟大家一起分享一下,我在工作中用过几种电池的均衡电路,希望对大家有所帮助。
最简单的均衡电路就是负载消耗型均衡,也就是在每节电池上并联一个电阻,串联一个开关做控制。当某节电池电压过高时,打开开关,充电电流通过电阻分流,这样电压高的电池充电电流小,电压低的电池充电电流大,通过这种方式来实现电池电压的均衡。
但这种方式只能适用于小容量电池,对于大容量电池来说是不现实的。

负载消耗性均衡的示意图
第二种均衡方法我没有实验过,就是飞渡电容法。简单的说就是每一节电池并联一个电容,通过开关这个电容既可以并联到本身这节电池上,也可以并联到相邻的电池。
当某节电池电压过高,首先将电容与电池并联,电容电压与电池一致,然后将电容切换到相邻的电池,电容给电池放电。实现能量的转移。
由于电容并不消耗能量,所以可以实现能量的无损转移。但这种方式太繁琐了,现在的动力电池动不动几十节串联,要是采用这种方式,需要很多开关来控制。

飞渡电容法工作原理图,只是画出相邻两节电池的均衡原理图
第一次做均衡,是做的一款动力电池组的充电,电池容量 80ah 的两组并联,要求均衡电流为 10a。原来了解的一点均衡的原理根本不够用,这么大电流都相当于一个一个的小模块了,最后还真的是采用 n 个小模块串联,每节电池并联一个小模块,如果单体电池电压低于设定值,启动相应的并联模块,对低电压电池启动充电,补充能量提升电压,实现均衡。
下图为当时采用的均衡电路的示意图,DC-DC 输入母线既可以是电池电压,也可以是别的模块提供的直流输入,根据需要灵活配置。

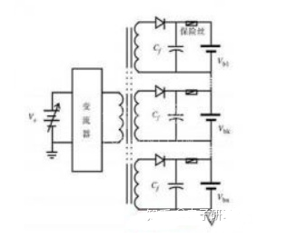
主动均衡方法可以采用我前面提到的一个变压器多路输出的方法。
如果你想利用下面的电路示意图,做一个多路输出的反激电源,利用各个模块的输出电压来对电池实现均衡,我估计你需要很深的功力才可以,因为单单交叉调整率这一项就很难。但是,利用这个电路,我们可以换一下思路,各路输出不需要稳压,当然为了防止开路损坏输出电容,我们可以做一个简单的原边反馈。然后在每路输出到电池之间串联一个电子开关,由于这种均衡是配合电池管理系统一起工作的,因此每路输出只要串联一个电子开关,由管理单元控制即可,哪路电压地我们就可以打开这个电子开关,有电源输出给该节电池充电,直到所有单体电池电压达到我们的期望值。
采用这种均衡方法,曾经做过 1000AH,7串电池及 300AH,80串电池的均衡,均衡完成后,所有单体电池电压可以达到 5mV 以内。

多绕组变压器法结构图
主动均衡也可以采用能量转移的方法。所谓能量转移,既可以是从整组电压取能量向低电压补充,也可以是从将电压过高的电池取能量向整组电压反馈。
我在一款通讯电源电源系统中用过第二种方式实现过电池均衡。电路原理图如下:

当时做的是16串锂电池的均衡,分成了两组,每组8只电池串联,这里只画了6只描述工作原理。
如果电池 B5 电压过高,控制 Q5 以 PWM 模式工作,当 Q5 开通,电感 L5 储能;当 Q5 关闭,电感储存的能量就会通过 D5 给电池 B1-B4 充电,降低 B5 电池电压抬高其余电池电压,利用同样的原理可以分析其余电池组电压过高时候的工作过程。
在试验过程中,两组之间各自采用这种方式均衡。当两组之间出现偏差的时候,就可以采用双向 DC-DC 进行能量转换了,这样采用的模块数量较少,设计比较方便。
我当时没有采用双向 DC-DC,而是简单的采用能量消耗性做两组之间电池的均衡。从最终的试验效果来看,电池均衡还是比较不错的。
在均衡过程中,如果对每节电池提供一路充电模块感觉属于杀鸡用牛刀,能量消耗型有达不到技术要求,也就是需要主动均衡,那么前面提到的变压器一拖多输出的方法,也许更适合你的需要,采用合适的变压器,做原边反馈限流的多路输出反激电源即可。
其实,随着动力电池的应用发展,不仅均衡,电池过充过放的保护,也就是我们常说的保护板的应用也会越来越广阔。我们知道原来的18650电芯,十几串的保护板用 ic 很常见,实现短路、过充保护、过放保护。但如果是几十串的电芯呢,不知道有没有接触过这方面资料的网友,可以一起交流下。
这就是截止目前为止,我试验过的四种电池均衡的方式,均衡的电池从 2AH 到 1000AH,串联的节数从7串到120串。
个人感觉如下:
1. 对于 10AH 以内的电池组,采用能量消耗型可能是比较好的选择,控制简单。
2. 对于几十 AH 的电池组来说,采用一拖多的反激变压器,结合电池采样部分来做电池均衡应该是可行的。
3. 对于上百 AH 的电池组来说,可能采用独立的充电模块会好一些,因为上百 AH 的电池,均衡电流都在10多 A 左右,如果串联节数再多一些,均衡功率都很大,引线到电池外,采用外部 DC-DC 或 AC-DC 均衡也许更安全。
目前的均衡都是以电池电压一致作为均衡的结束条件,但随着 SOC 计算越来越准确,容量一致的均衡应该是未来发展的趋势。