漏电报警交流调压器可以避免没有埋设地线或地线埋设不合理的用户在使用用电器时发生外壳漏电事故,同时也可以作为电风扇调速、台灯调光,电熨斗控温之用。以下介绍了漏电报警交流调压器的电路工作原理。

电路工作原理
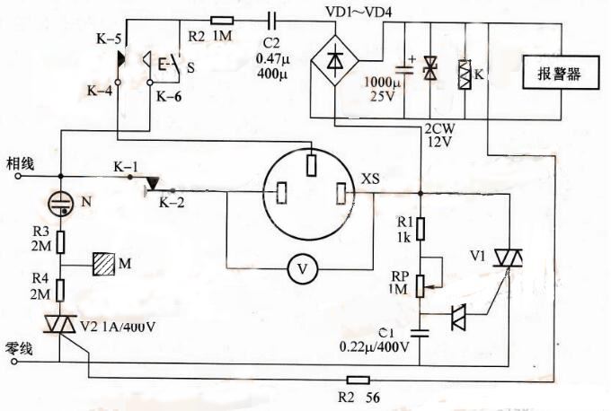
整个电路主要由调压电路、监测报警电路、自动断电开关3部分组成。调压电路由R1、RP、C1、VD5、V1等5元件组成。只要调节RP就可以改变双向晶闸管V1的导通角,从而改变通过负载的平均电流值,实现连续调压,达到调光、调速、恒温等功能。
当用电器插入该电路中的三芯插座XS时,中孔为电器三芯插头的接地端,当有漏电的家用电器插入该插座,漏电电流就会通过继电器K4-5触点、限流电阻R2至电容C2降压经VD1~VD4整流、滤波稳压后,使报警电路工作,发出报警声。该电压又通过R5使V2触发导通,氖管发光,与此同时继电器K工作,从而使K1-2断开,切断插座电压,停止给用电器供电。由于K5-6闭合,接通了主插头的电压,此时报警声光仍然工作,直至拔掉该机电源插头,方可停止报警。
电路中,R3、R4构成氖管的回路电阻,同时氖管N、R3又作为检测电压的相别电路。S为检验按钮,使用该插座前按下S即可检验报警系统是否正常。该报警电路由于是用1MΩ电阻进行限流,电容C2降压,全波整流、稳压滤波输出,得到12V直流电压的。
元器件选择:适当选择V1可使该电路在1000W以下使用,可选用大功率RD91型,如MAC218-10(8A/800V)等,应加装散热片。VD5可选用DB3型双向触发二极管,V1~4可选用lN4001或0.5A/50V整流全桥,继电器K可选4088B型12V/3A,报警器可选用市售的超薄型蜂鸣器,交流电压表选用63T1-V-0~250V,其余元件参数按图标注值选用。
全自动的交流调压器电路
如图所示的全自动交流调压器可以把160~270V范围内变化的市电电压Ui自动、有效地控制在220±10%V以内。
继电器K1~K4和变压器T视调压源的负载而定。本节按100W用电负荷设计、选型,能满足一般家用电器使用。K1~K4选用4098(DC9V)继电器。T的铁心采用GEIB30-D310-0.35B优质硅钢片,叠厚为30mm,ST=9cm2,Po≈l00W。匝/伏比Tr=5匝/V。N1、N2、N3用Φ0.57rnrn(23#)高强度漆包线绕到129匝、283匝、99匝;N4和N5用Φ0.36mm(27#)高强度漆包线分别绕制1004匝、50匝。RPl~RP4选用WHW-1型合成膜微调。VD5为2EF102(全塑、Φ5rnrn、红色)发光二极管。VD6选用2CW342或1N59958。PV选用85L1-V300V型成品电压表头。其他元器件按图所示标注选型。
